搜索
搜索
搜索
首页 产品中心 手动位移台系列 微型升降台 剪式升降台
微型升降台
系列:剪式升降台
剪式升降台

请补充内容

产品特点

·用于大行程,不定量,载荷大的升降调整
·采用剪形升降支撑,精研丝杠驱动,双导轨五轴过定位机构,保证运动绝对平稳,舒适,精度高,承载大
·上下两面多孔位设计,适用性强,均可作安装面
·配有锁紧手轮,安全可靠

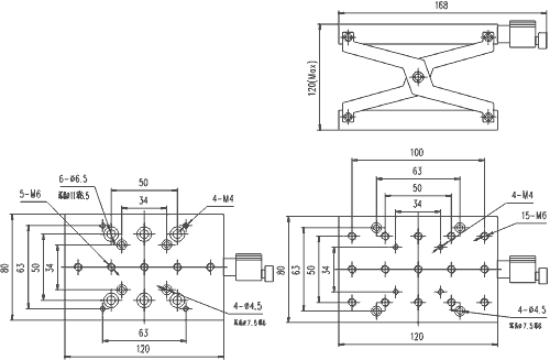
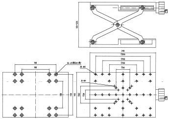
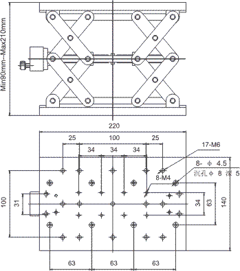
技术指标
型号 驱动方式 驱动位置 导轨 行程 精度 分辨率 自重 负载 对比
03VTS303 精研丝杆副 水平中心 滑动导轨 120mm 0.03mm 0.01mm 4kg 35kg
03VTS302 精研丝杆副 水平中心 滑动导轨 120mm 0.03mm 0.01mm 3.25kg 30kg
03VTS301 精研丝杆副 水平中心 滑动导轨 60mm 0.03mm 0.01mm 1.2kg 20kg
产品对比
关闭
对比
产品对比
产品对比
电话咨询
电话咨询
19868652342
微信咨询
微信咨询
微信名片
微信扫码咨询